Rehabilitació

P11425

Direcció d'Obra de la Marquesina del camp de futbol municipal

Sant Cugat del Vallès
DJI_0342

P11425

Encàrrec de Direcció d'Obra per a la construcció de la nova marquesina del camp de futbol municipal de Sant Cugat del Vallès, promoguda per l'Ajuntament de Sant Cugat del Vallès.

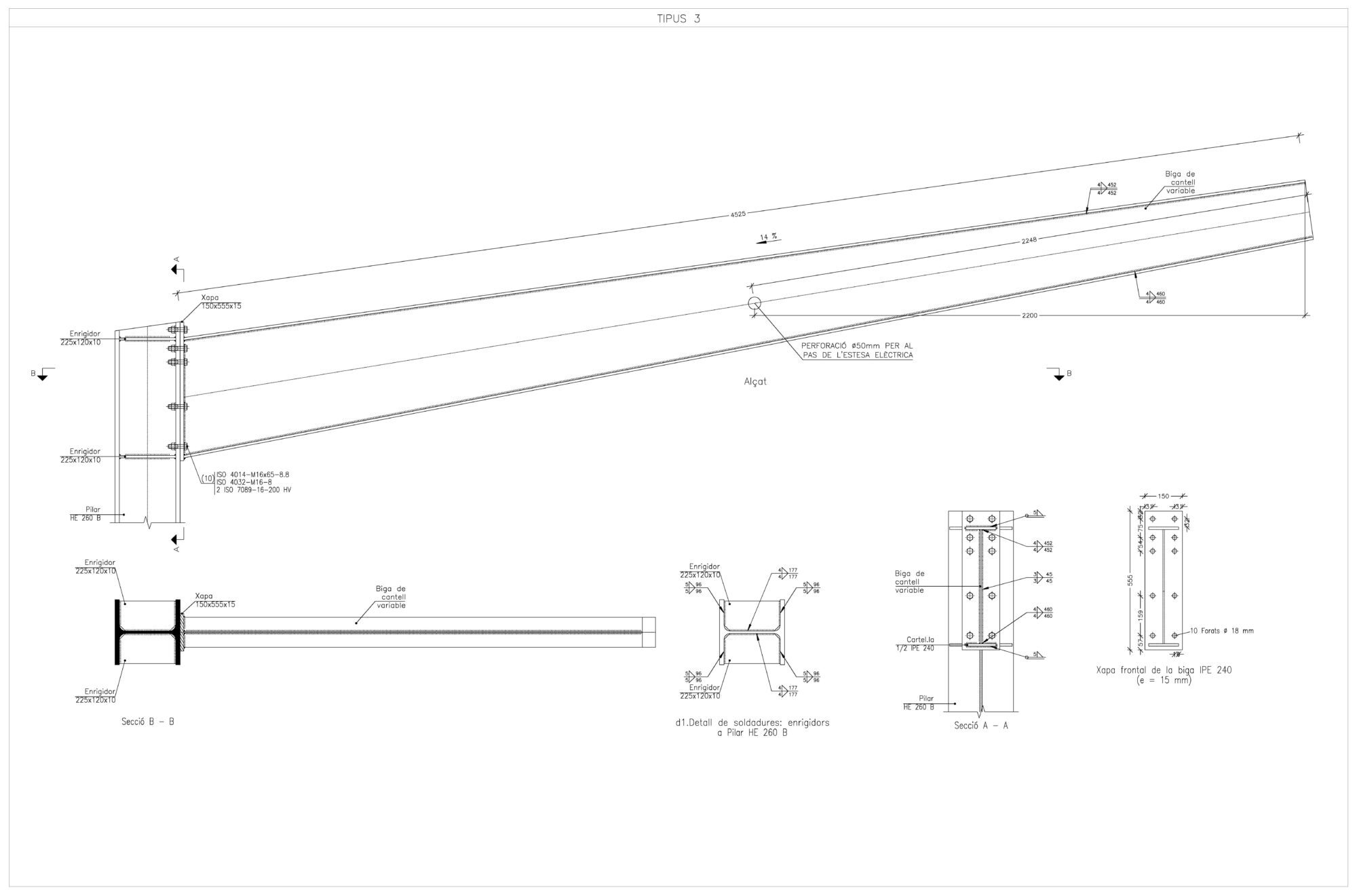
El treball comprèn la supervisió arquitectònica de l'execució dels treballs, la interpretació del projecte durant el procés construcitu i la verificació que l'obra es realitza d'acord amb la documentació tècnica i la normativa aplicable.

L'actuació té com a objectiu millorar les condicions d'ús de l'equipament esportiu mitjançant la construcció d'una nova estructura de protecció per a les grades.

Telèfon: 661 210 946

Email: estudi@cabreidiazarquitectes.cat

Santa Joaquima, 6 - 08172 Sant Cugat del Vallès (Barcelona)